2CY齒輪油泵主要有齒輪、軸、泵體、泵蓋、軸承套、軸端密封等組成。齒輪經氮化處理有較高的硬度和耐磨性。與軸一同安裝在可更換的軸套內運轉。泵內全部零件的潤滑均在泵工作時利用輸送介質而自動達到。
2CY齒輪油泵內四個軸承套在泵內浮動安裝,隨工作壓力大小自動調整端面間隙,因此泵的壓力穩定,輸出流量脈動小,溶積效率高。從主軸外伸端向泵看,為順時針旋轉。
1、2CY齒輪油泵安裝前應檢查泵和電機在運輸過程中是否損壞,如電機是否受潮,泵的進出口防塵蓋是否損壞而使污物進入泵腔內等。
2、2CY齒輪油泵在搬運過程中,應選擇合適起吊位置,減少泵的變形。
3、2CY齒輪油泵底座應固定在牢固的基礎上,以免產生振動影響泵的正常工作。
4、2CY齒輪油泵進出口管路應清理干凈不得存有硬顆粒等雜物。
5、管路口徑一般不小于泵的進出口口徑,進油管路應盡量短,并減少彎路。必要時在進油口安裝金屬過濾網,過濾網的有效面積不應小于管道過流面積的三倍。
6、安裝時,不得用泵來承擔管路重量。
7、用手轉動聯軸器,泵應轉動靈活,不得有過緊或輕重不均現象,如有應立即排除。
2CY齒輪泵適用于輸送不含固體顆粒和纖維,無腐蝕性,溫度不高于80℃,粘度為5×10-6~1.5×10-3m2/s(5-1500cSt)的潤滑油或性質類似潤滑油的其他液體以及用于液壓轉動系統。
2CY系列齒輪泵應用范圍
在輸油系統中可用作傳輸,增壓泵;
在燃油系統中可用作輸送、加壓、噴射的燃油泵;
在液壓傳動系統中可用做提供液壓動力的液壓泵;
在一切工業領域中,均可作潤滑油泵用;
2CY齒輪油泵性能參數表
| 型號 |
流量 Q |
轉速 n r/min |
排出壓力 p Mpa |
必需汽 蝕余量 )r m |
效率 η % |
電動機 | ||
| m3/h | L/min | 功率KW |
型號 | |||||
| 2CY-1.08/2.5 | 1.08 | 18 | 1420 | 2.5 | 9.5 | 58 | 2.2 | Y100L1-4 |
| 2CY-2.1/2.5 | 2.1 | 35 | 1420 | 2.5 | 9.5 | 58 | 3 | Y100L2-4 |
| 2CY-3/2.5 | 3 | 50 | 1440 | 2.5 | 9.5 | 59 | 4 | Y112M-4 |
| 2CY-4.2/2.5 | 4.2 | 70 | 1440 | 2.5 | 9.5 | 59 | 5.5 | Y132S-4 |
| 2CY-7.5/2.5 | 7.5 | 125 | 1440 | 2.5 | 9.5 | 63 | 7.5 | Y132M-4 |
| 2CY-12/2.5 | 12 | 200 | 1460 | 2.5 | 9.5 | 63 | 15 | Y160L-4 |
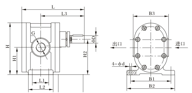
2CY型泵外型、安裝尺寸

|
型號 |
L | L1 | L2 | L3 | B1 | B2 | B3 | H | H1 | H2 | G | φD | 4-φd |
| 2CY-1.08/2.5 | 193.5 | 45 | 75 | 138.5 | 114 | 138 | 95 | 132 | 67.5 | 87 | G3/4" | 18 | 10 |
| 2CY-2.1/2.5 | 198.5 | 48 | 78 | 142.5 | 124 | 154 | 110 | 164.5 | 86 | 112 | G1" | 18 | 10 |
| 2CY-3/2.5 | 198.5 | 48 | 78 | 142.5 | 124 | 154 | 110 | 164.5 | 86 | 112 | G1" | 18 | 10 |
| 2CY-4.2/2.5 | 220 | 58 | 88 | 155 | 160 | 190 | 140 | 205 | 107.5 | 140 | G11/4" | 28 | 12 |
| 2CY-7.5/2.5 | 239 | 65 | 98 | 164.5 | 160 | 190 | 140 | 205 | 107.5 | 140 | G11/2" | 28 | 12 |
| 2CY-12/2.5 | 360 | 106 | 136 | 257 | 190 | 220 | 210 | 256 | 136 | 178 | G2" | 32 | 14 |
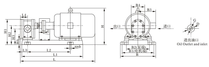
2CY-1.08~2CY-12/12.5整機外型、安裝尺寸重量

| 型號 | L | L1 | L2 | L3 | L4 | H | H1 | H2 | H3 | H4 | B | B1 | B2 | B3 | B4 | G | D | n×φ |
重量 |
| 2CY-1.08/2.5 | 582 | 486 | 339 | 47.5 | 55 | 290 | 190 | 145 | 125.5 | 58 | 293 | 257 | 190 | 180 | 95 | G3/4" | φ36 | 4×φ18 | 56 |
| 2CY-2.1/2.5 | 586 | 493 | 344 | 49 | 56 | 302 | 210 | 157 | 131 | 45 | 293 | 257 | 206 | 180 | 110 | G1" | φ50 | 4×φ18 | 63.5 |
| 2CY-3/2.5 | 605 | 499 | 349 | 49 | 56 | 310 | 210 | 157 | 131 | 45 | 333 | 297 | 206 | 190 | 110 | G1" | φ50 | 4×φ18 | 77.5 |
| 2CY-4.2/2.5 | 720 | 585 | 420 | 54 | 65 | 373 | 255 | 190 | 157.5 | 50 | 368 | 332 | 242 | 210 | 140 | G11/4" | φ70 | 4×φ18 | 121 |
| 2CY-7.5/2.5 | 780 | 637 | 448 | 60 | 75 | 378 | 260 | 195 | 162.5 | 55 | 368 | 332 | 242 | 210 | 140 | G11/2" | φ70 | 4×φ18 | 136 |
| 2CY-12/2.5 | 1020 | 862 | 616 | 78 | 103 | 468 | 321 | 243 | 201 | 65 | 416 | 380 | 272 | 255 | 210 | G2" | φ95 | 4×φ18 | 173 |
上一篇:2CY齒輪泵
下一篇:NCB內嚙合齒輪泵